销售热线
技术热线:0576-85183757
销售电话:0576-85182037
技术电话:0576-85183757
传真号码:0576-85182843
联系邮箱:haihong@cn-hydraulic.com
公司地址:浙江省临海市江南街道金岭路199号
产品特点
片式手柄在偏转范围内,可任意角度定位;
D06在手柄偏转最大角度可电磁铁定位;
多片灵活组合;
输出压力随手柄角度呈比例变化;
远程液压控制;
操纵力小。
应用领域
适用于多路阀、泵、马达的远程控制,用于叉车、挖掘机等工程机械设备。
液压原理图
技术参数(对超出下述参数的应用场合,请与我公司联系)
|
概述 |
|
|
结构 |
整体式/分片式 |
|
油口连接方式 |
螺纹连接 G1/4 或 M14×1.5 |
|
安装方式 |
见外形图 |
|
重量 kg |
1.6~1.8 |
|
液压 |
|
|
允许最大回油背压bar |
3 |
|
先导控制油流量 L/min |
16 |
|
P口最大压力bar |
35 |
|
电源电压 V |
DC24(4TH6D型) |
|
液压油温度范围℃ |
-20~+100 |
|
粘度范围m2/s |
10~380 |
|
油液允许的污染等级 |
-/19/16 (ISO4406:1999) |
特性曲线
L06,U06工作口特性曲线,在油温40℃,流量16L/min下测得
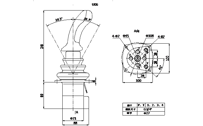
产品外形图
相关产品
销售热线:0576-85182037
友情链接: 多路阀系列 先导阀系列 制动阀系列 操纵阀系列 农机阀系列 转向阀系列 Sitemap TXT Sitemap XML 网站地图

微信官网

手机官网